








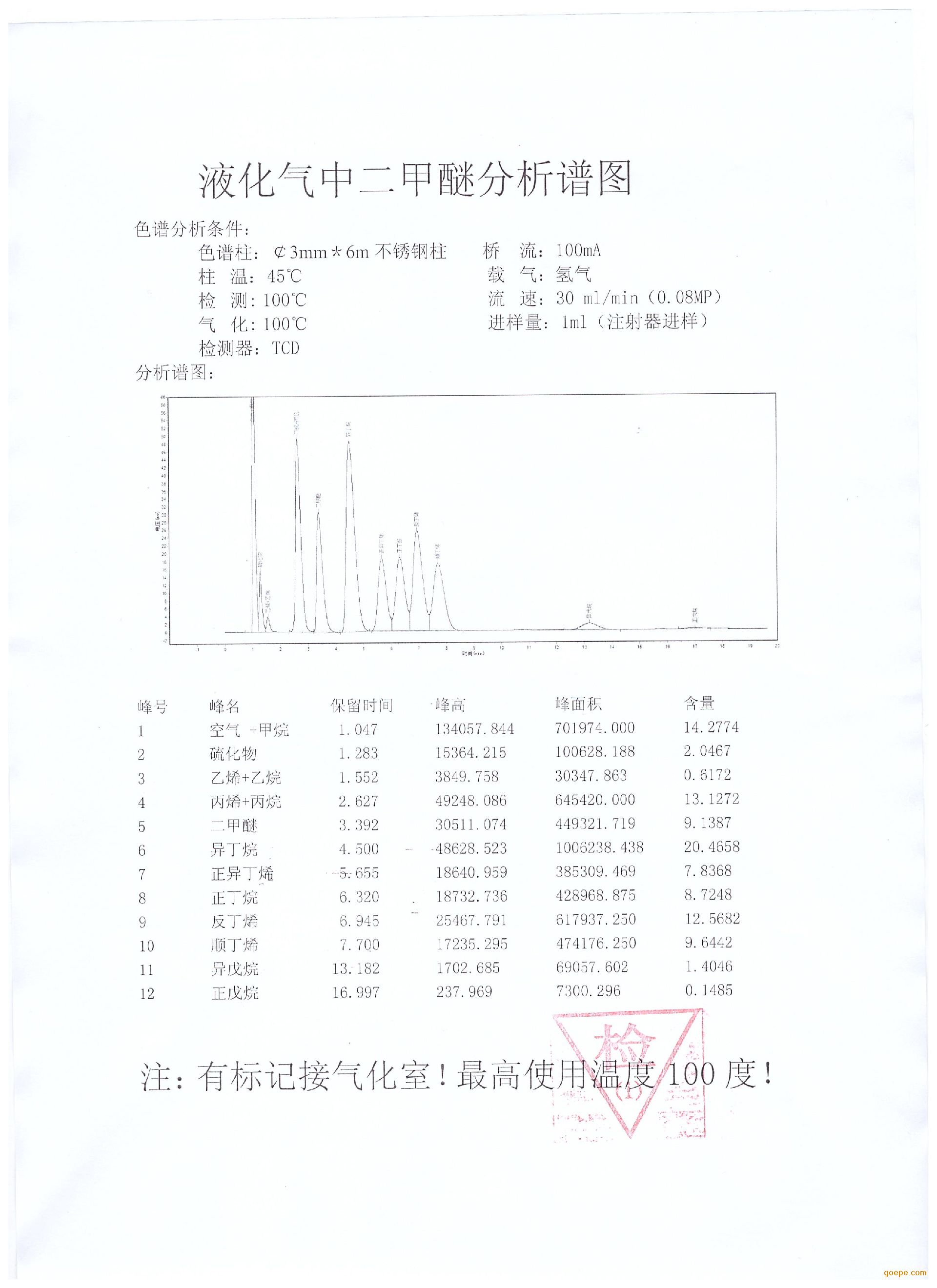
液化气中二甲醚分析柱的填料可以是多孔性粒状系缚剂或在惰性载体颗粒表面均匀的涂敷一层很薄的固定液膜。填充柱常用内径2-5mm,长0.5-10m的金属管或玻璃管。填充柱制备简单,可供选用的载体、固定液、吸附集种类很多,因而具有广泛的选择性,有利于解决各种各样组分的分离分析问题液化气中二甲醚分析柱主要用于液化气中二甲醚的定性分析和百分含量。快速稳定,重现性好。
液化气中二甲醚分析柱谱图:

| 品牌: | 上海惠分 |
| 型号: | 液化气中二甲醚分析 |
| 加工定制: | 是 |
| 测量范围: | 液化气中二甲醚 |
| 测量对象: | 液化气 |
| 控温范围: | 100 ℃ |
| 尺寸: | 600 mm |
| 重量: | 0.1 Kg |