







不锈钢视镜就是安装在管道或设备上可以随时查看监测内部物料工作情况的.不锈钢视镜采用优质的304/316/321/316L等,它具有超高的耐腐蚀性,并且加工容易,外表美观.同时视镜采用钢化硼硅玻璃,聚乙烯四氟垫片.使不锈钢视镜适用于大部分恶劣的工作环境中.并且使用寿命较长.
不锈钢视镜由于结构紧凑,它安装简单,使用方便,,非常容易清洗与维修,是目前*常用的一种视镜.
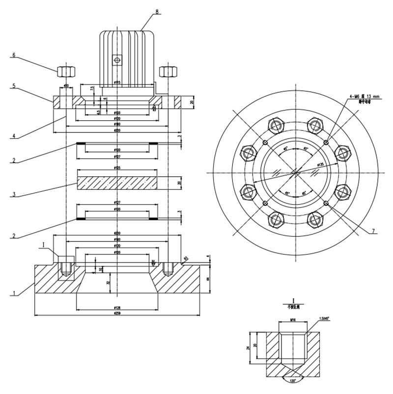
| HG501压力容器视镜、法兰视镜 法兰视镜 HG21619压力容器视镜 |
| HG501-86-17标准法兰视镜主要用途:用于石油、化工、化纤、医药、食品、容器等工业生产装置中,能随时观察液体、气体、蒸汽等介质的流动反应情况,是保障正常生产不可缺少的附件。 |
| 主要技术参数: |
| 1、壳体材质:碳钢、不锈钢(SUS 304、SUS304L、SUS316、SUS316L)、衬氟、塑料(PP、PVC等)。 |
| 2、视窗材质:钠钙玻璃、硼硅玻璃、石英玻璃。 |
| 3、工作温度: 钠钙玻璃的*高允许温度为150℃,温度的急剧变化范围为120℃至20℃。 硼硅玻璃的*高允许温度为280℃,温度的急剧变化范围为230℃至20℃。石英玻璃的*高允许温度为800℃,温度的急剧变化范围为550℃至20℃。 |
| 4、操作压力:钠钙玻璃:0.6Mpa。 |
| 5、硼硅玻璃:0.6~1.0Mpa。 |
| 6、石英玻璃:0.6~2.5Mpa。 |
| 7、密封圈材质:聚****、耐油石棉、橡胶等。 |
| 8、法兰标准:JB、HGJ、JB、DIN、等标准。(用户指定,请注明压力等级) |
| 9、制造、检测标准:参照《HGJ501-86压力容器视镜》设计制造和验收。 |




























| 品牌: | DN80 |
| 加工类型: | 是 |
| 视窗材质: | 钢化玻璃 |
| 密封件材质: | 硅胶 |
| 公称直径范围: | 50MM-150MM |
| 密封面: | 平面(FF) |
| 链接标准: | HGJ501 |
| 适用对象: | 石油、化工、化纤、医药、食品、 |