










| 基本参数 | |
| 电源 | DC24V±5%、AC220V±5% |
| 量程范围 | -0.1-100MPa |
| 可设定范围 | 20%FS-80%FS(*佳) |
| 过载 | 150%FS |
| 显示 | 四位LCD |
| 显示精度 | 0.5%FS |
| 重复性误差 | ≤0.3%FSmax |
| 温度漂移 | ≤0.1%FSmax |
| 外壳防护等级 | IP54 |
| 模拟输出 | 4-20mA 负载≤600欧姆 精度0.5%FS |
| 输出方式 | |
| 类型 | PNP晶体管输出、SPST开关量输出 |
| 动作寿命 | >100万次 |
| 响应时间 | 动作时间:15ms 释放时间:8ms |
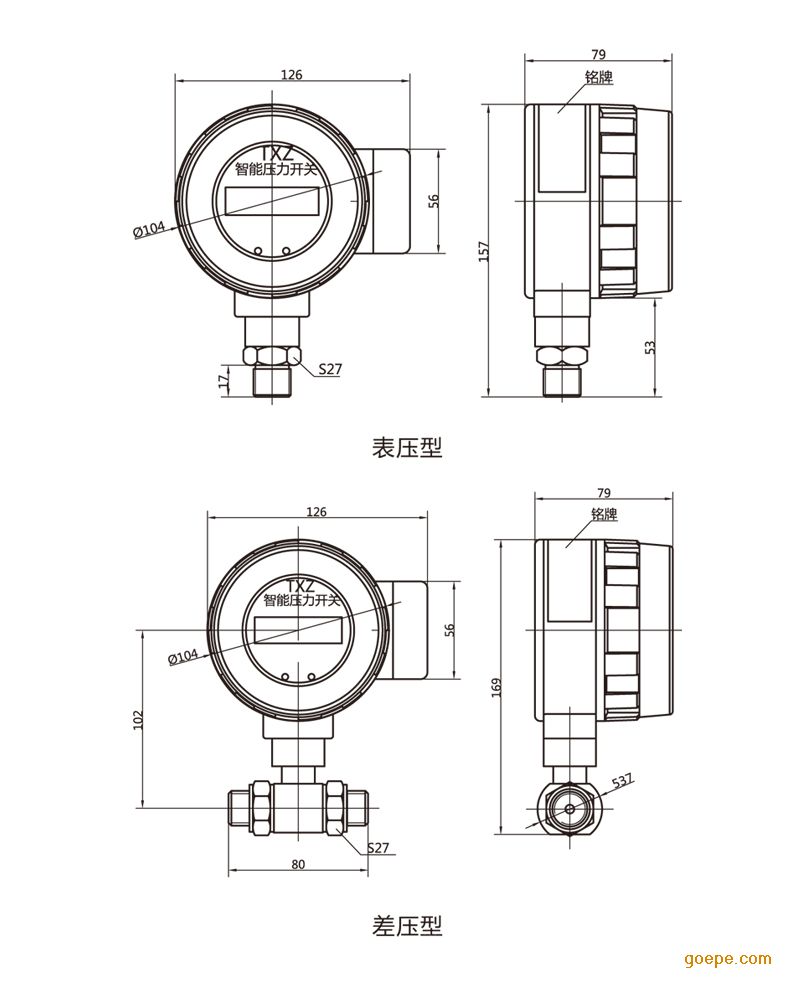
| 过程连接 | 不锈钢304# M20×1.5(常规) |
| 环境条件 | |
| 介质温度 | -25-80℃ |
| 环境温度 | -25-80℃ |
| TXZC3 - X XX XX . XX X X . XX 32 - A B C . D E F. G |
|||||
| A:供电电源 | |||||
| 代码 | 供电电源 | ||||
| 1 | DC24V | ||||
| 2 | AC220V | ||||
| B:传感器类型 | |||||
| 代码 | 传感器类型 | ||||
| CG | 陶瓷传感器(表压) | ||||
| SG | 扩散硅传感器(表压) | ||||
| SD | 扩散硅差压传感器(差压) | ||||
| SY | 应变片传感器 (表压) | ||||
| C:量程 | |||||
| 代码 | 量程 | 代码 | 量程 | 代码 | 量程 |
| 00 | 0-20KPa | 01 | 0-35KPa | 02 | 0-70KPa |
| 03 | 0-100KPa | 04 | 0-200Kpa | 05 | 0-350Kpa |
| 06 | 0-700Kpa | 07 | 0-1MPa | 08 | 0-2MPa |
| 09 | 0-3.5MPa | 10 | 0-7MPa | 11 | 0-10MPa |
| 12 | 0-20MPa | 13 | 0-25MPa | 14 | 0-30MPa |
| 15 | 0-35MPa | 16 | 0-40MPa | 17 | 0-60MPa |
| 18 | -0.1-2MPa | 19 | 0-18MPa | 20 | 0-6MPa |
| D:逻辑输出 | |||||
| 代码 | 逻辑输出 | ||||
| 10 | 一路PNP(DC24V,3A max) | ||||
| 11 | 二路PNP(DC24V,3A max) | ||||
| 30 | 一路继电器(DC24V/AC250V,3A max) | ||||
| 31 | 二路继电器(DC24V/AC250V,3A max) | ||||
| E:输出类型 | |||||
| 代码 | 输出类型 | ||||
| 0 | 有源输出(只有PNP输出才能选) | ||||
| 4 | 通断信号 | ||||
| F:模拟量输出 | |||||
| 代码 | 模拟量输出 | ||||
| N | 无 | ||||
| B | 4-20mA | ||||
| G:过程连接 | |||||
| 代码 | 过程连接 | ||||
| 00 | 外螺纹M20×1.5(不锈钢304#) | ||||
| 01 | 外螺纹1/2NPT(不锈钢304#) | ||||
| 02 | 外螺纹1/4NPT(不锈钢304#) | ||||
| 03 | 外螺纹G1/2”(不锈钢304#) | ||||
| 04 | 外螺纹G1/4”(不锈钢304#) | ||||


| 项目 | 功能说明 | 操作流程 |
| 基本设置 | 进入基本设置 | 按“Set”键3秒,显示“ST1”,按“▲”键,面板循环显示:“ST1”“ST2”“ST3”“Ec”。 |
| ST1 (①回路设定值) |
压力上升且压力≥ST1值时,起始状态切换(即:常开®常闭,常闭®常开或DC24V®DC0V,DC0V®DC24V) | 显示“ST1”时,按“Enter”键,进入①回路设定值设置状态,此时闪烁位为可修改位,按“▲”键,闪烁位数字可从0至9循环修改,按:“”键,闪烁位可从千位至个位循环移动。通过“▲”键、“”键,完成设定值设置,按“Enter”键,设定值存储,并跳转显示“ON”或“OFF”。 |
| ON/OFF (①回路起始状态) |
显示“ON”时,则此回路在压力上升且压力<ST1值时,输出状态为常闭或者DC24V; 显示“OFF”时,则此回路在压力上升且压力<ST1值时,输出状态为常开或者DC0V; |
按“▲”键,“ON”和“OFF”来回切换;按“Enter”键,状态值存储,并跳转显示“OL”。 |
| OL (①回路延时值) |
压力下降且压力≤(ST1-OL)值时,输出状态复位。 | 显示“OL”时,按“Enter”键,进入①回路设定值设置状态,此时闪烁位为可修改位,按“▲”键,闪烁位数字可从0至9循环修改,按:“”键,闪烁位可从千位至个位循环移动。通过“▲”键、“”键,完成设定值设置,按“Enter”键,延时值存储,并跳转显示“ST1。” |
| ST2回路设定如上ST1回路设定,不再敷述。 | ||
| 退出 | 退出基本设置 | 显示“Ec”时,按“Enter”键,退出基本设置状态 |



| 品牌: | 天祥 |
| 型号: | TXZC3 |
| 加工定制: | 是 |
| 类型: | 智能 |
| 测量范围: | -0.1-100MPa |