








XAMY/Z(G)200-500/1500-UBK系列压滤机属于厢式或隔膜式压滤机,以下是其相关介绍:
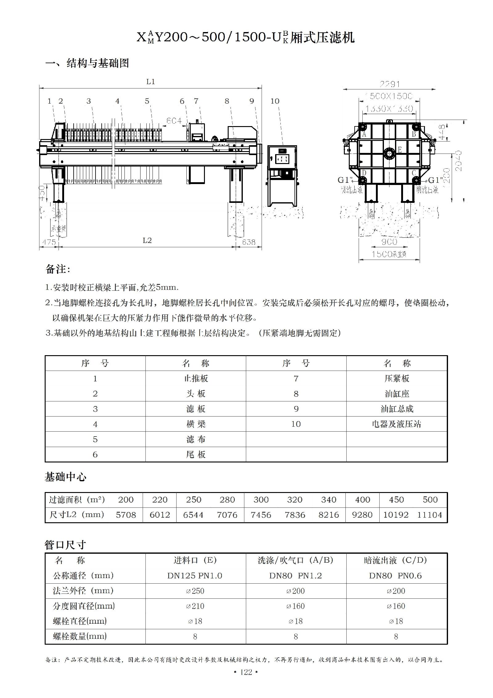
一、型号含义:“X”表示厢式;“A”可能代表暗流;“M”明流;“Y”表示液压压紧;“Z”表示自动压滤机;“G”表示隔膜(如果是隔膜压滤机的话);“200-500”表示过滤面积范围(平方米);“1500”表示滤板的尺寸(边长为1500mm);“UBK”中“U”代表滤板材质是聚丙烯,“B”为不可洗式,“K”为可洗式(具体含义可能因厂家略有差异)。
二、结构特点:大型的为机、电、液分体式,特大型的为机、电、液一体式。滤板尺寸为1600×1600mm,滤板材质为聚丙烯。全机密封性好,拉板器运行部分均有护罩,既安全又防尘防腐。还可根据用户要求配装滤板移动装置、滤布悬挂装置或滤板高悬梁悬挂装置。
三、工作原理:由滤板排列组成滤室,滤板两侧凹进,每两块滤板组合成一厢形滤室。过滤时,进料泵将物料从进料管压入滤室,固体颗粒被滤布截留在滤室内形成滤饼,液体则通过滤布顺着滤板和压榨隔膜的齿形槽进入出液通道排出机外。若是隔膜压滤机,过滤完毕后,向压榨腔输送压缩空气或高压液体,使隔膜鼓起对滤饼进行压榨,进一步降低滤饼含水率,然后松开压紧板,卸料。
四、控制方式:整机的运作可手动操作,亦可根据用户要求由PLC程序控制器实现全程循环自动操作,实现自动压紧、过滤、穿流、压榨、松开、拉板等过程。
五、应用领域:适用于化工、石油、纺织、轻工、制药、染料、冶金、选矿、食品、电镀、污水处理等多种行业的固液分离过程,可用于分离低浓度悬浮液,也能处理粘度较高或接近饱和状态的悬浮液。
六、性能特点:该系列压滤机为液压压紧,自动保压型,操作维护方便,运行安全可靠。大型压滤机除常规的止推板处装有进、出液管接法兰外,还在压紧板处备有相应的接口,用户可分别从两端接口进料、出液、进洗涤水等,改善滤渣质量。


| 样式: | 厢式 |
| 自动化程度: | 液压压紧 |
| 适用对象: | 污泥 |
| 品牌: | 龙舒 |
| 型号: | XY200~500/1500 |
| 滤料类型: | 滤布 |
| 性能: | 高效过滤 |
| 适用范围: | 化工;石油;制药;轻工;食品;选矿;水处理;电镀;冶金;染料 |