VDN301 / VDN401 油旋片式真空泵
- 特长
实现了低噪音
由于彻底的低噪音设计和精密的加工,从而达到了低噪音化。
优秀的保养、维修性能
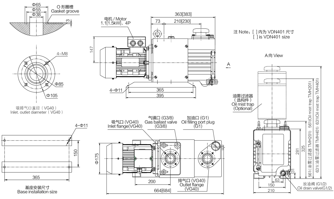
因为能在真空泵与其他设备的连接管道不拆除的情况下,将泵的主体部分取下,所以清洗保养及油封等的更换变的非常容易。为使日常保养工作方便容易,油量确认、油补充、油更换的方向为同一操作方向。
为延长使用油的补充期,采用了1.0~2.5升可变油量方式。
能对应全压强领域的连续运转
采用高吸气压强也能稳定运转的强制供油方式。选用油雾过滤器、油回收装置及耐热密封件后,就能在大气压以下的全压强范围内连续运转。
用途
• 镀膜、溅射、离子镀。
• 气体置换、充填、真空隔热。
• 真空干燥、冷冻干燥、真空脱气
• 分析仪器、检漏装置。
• 真空包装、真空吸附。
• 搬运、真空成形、真空铸造等。



以下型号都有,保养包也有,请联系客服:
DA标准型膜片泵系列:DAL-5S;DAP-6D;DAP-12S;DA-15S;DA-15D;DA-30S;DA-20D;DA-40S;DA-30D;DA-60S;DA-41D;DA-81S;DA-60D;DA-120S;DA-121D;DA-241S;DAT-50D;DAT-100S;DAL181D;DAL-361S.
DTC特富龙型膜片泵系列:DTC-21;DTC-41;DTC-60.
高真空型膜片泵系列:DAM-010;DAU-100;DAU-100H;DAU-20;DTU-20;MD-4;MD-4C;DM-8;MD-8C.
减压加压两用型真空泵:DAP-15;DAP-30.
标准摇动活塞型真空泵:DOP-9D;DOP-40D;DOP-80S;DOP-80SP;DTP-45D;DTP-90S;DTP-90D;DTP-180S;DTP-180SQ;
回转翼型真空泵:DSB-151;DSB-251;DSB-451;DSB-601.
由创意构思诞生的DOP-Quattro系列:DOP-200S;DOP-100T;DOP-50F;DOP-100ST;DOP-50DT;DOP-50S4;DOP-300S;DOP-150T.
罗茨型真空泵:MBS-010;MBS-030;MBS-050.涡旋标准型真空泵:DIS-090;DIS-250;DIS-500.
涡旋真空泵:DVS-321;DVS-631;
紧密型真空泵:DVT-300;
性价比高的低真空型真空泵:DISL-100;DISL-500.
油旋片标准型:G-5;G-5DA;G-10DA;G-25SA;G-20DA;G-50SA;G-50DA;G-100S;G-100D.
机能更高的豪华型真空泵:GVD-050A;GLS-051;GLD-040;GLD-051;GLD-136A;GLD-136C;GLD-201A;GLD-201B;GLD-280;
耐腐蚀性的真空泵:GCD-051X;GCD-136X;GCD-201X.
高速回转紧密型真空泵:GHD-030;GHD-060;GHD-120;
小型高真空排气装置:VPC-050;VPC-050A;VPC-250F;VPC-400.
涡轮分子泵小型高真空排气装置:VPT-050;VPT-030;
罗茨泵排气机组:VPM-010;VPM-030;VPM-050;
高速型真空蒸发装置:VPC-1100;
小型高真空蒸发装置;VPC-060;VPC-060A;VPC-260F;VPC-410;
有机膜蒸发实验装置:ELORA-100;ELORA-200;ELORA-500;
小型高频溅射装置:RFS-200;
小型磁控溅射装置:SCOTT-C1;SCOTT-C3;
超小型离子溅射装置:VPS-020;VPS-050;
泵油清洁系统:OFC-136XA;OFC-201XA;UFO-003;UFW-003;UFO-012;
便携型吸气器:MDA-015;MDA-050;MDA-020C;
真空泵油:SMR-100矿物油;SO-M合成油;ULVOILR-2合成油;
油雾过滤器:OMT-050A;OMT-100A;OMT-200A;