
厢式、板框式压滤机是悬浮液固、液两相分离的理想设备。该系列压滤机为手动(千斤顶)压紧机型和液压压紧机型。滤板尺寸500mm×500mm,该系列全部为厢式滤板。压紧方式:S 为手动丝杆型;J为手动千斤顶型;Y 为液压型;见图1-5, 机器结构简便,操作易行。该系列压滤机主要规格有:手动型:XAMS4~14 / 500- U BK-Ⅰ; 千斤顶型:XAMJ4~14 / 500- U BK-Ⅰ;液压型:XAMY4~14 / 500- U BK-Ⅰ; 自动型:XAMZ 4~14 / 500- U BK该系列压滤机机型较小,压紧、卸料均可手动操作,也可根据用户需要制成液压压紧和自动拉板。压滤机有明流、暗流之分,它们各自又有滤饼的可洗式和不可洗式;
以下是XSJ4~14/500-U系列小型厢式压滤机相关介绍:
一、结构设计
滤板:滤板尺寸为500mm×500mm,材质为增强聚丙烯,具有化学性能稳定、耐腐蚀性能良好、无毒、无味、重量轻、操作强度低等特点。滤板表面有麻点和凸台,用以支撑滤布,中心和边角上有通孔,组装后构成完整的通道,能通入悬浮液、洗涤水和引出滤液。
机架:采用高强度钢结构,安全可靠,功能稳定,经久耐用,足以承受滤板重量及压滤引起的强大压力。
工作原理:在输料泵的压力作用下,将需要过滤的物料液体送进由滤板排列组成的厢形滤室,通过过滤介质(滤布)将固体和液体分离。固体颗粒被截留在滤布上,形成滤渣,直至充满滤室形成滤饼。滤液穿过滤布并沿滤板沟槽流至下方出液孔通道,集中排出。过滤完毕,可通入清洗涤水洗涤滤渣,有时还通入压缩空气,除去剩余的洗涤液。过滤结束后打开压滤机卸除滤饼,清洗滤布,重新压紧板滤开始下一工作循环。
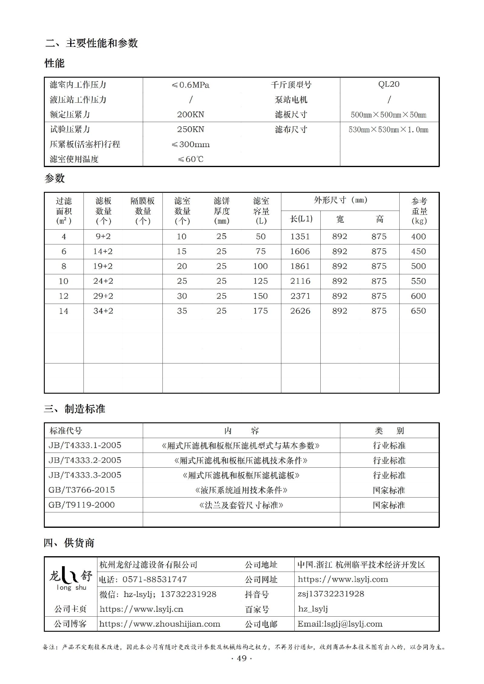
性能参数:
过滤面积:4-14平方米。
过滤压力:≤0.8MPa。
过滤温度:<100℃。
滤室容量:随着过滤面积从4平方米到14平方米变化,滤室容量从50L到175L不等。
整机外形尺寸:长度从1808mm到3083mm不等,宽度为890mm,高度为875mm,整机质量从400kg到650kg。






| 自动化程度: | 手动或液压 |
| 适用对象: | 污泥 |
| 品牌: | 龙舒 |
| 型号: | X(Y)J4-14/500 |
| 滤料类型: | 滤布 |
| 性能: | 普通过滤 |
| 适用范围: | 化工;轻工;食品;水处理;电镀;冶金;染料 |
| 有效容积: | ≤175 L |