
一、结构组成
滤板和滤框:是压滤机的核心部件,通常由聚丙烯(PP)或不锈钢等材质制成。滤板表面具有独特的凹凸结构,能有效提高过滤效率。滤框则与滤板交替排列,形成滤室。滤板和滤框的规格一般为宽630mm,其他尺寸如高、深等可能因厂家不同有所差异,常见的有高380mm、深350mm等。
压紧装置:常见的有液压压紧装置,其作用是确保滤板之间紧密贴合,形成密封的过滤空间,以承受过滤过程中的压力,保证过滤效果。
进料装置:用于将待过滤的悬浮液输送到压滤机内,通常会配备进料泵,以一定的压力将物料送入各个滤室。
滤液出口:过滤后的液体通过滤板上的滤液孔排出机外,滤液出口的设计可分为明流和暗流两种形式。明流是指滤液通过板框两侧的出水孔直接出机外,便于观测每一块滤板的出液情况;暗流则是滤液通过板框和后板的暗流孔流出。 -
其他部件:还包括主梁、止推板、机座等,用于支撑整个压滤机的结构,以及手动拉板系统、滤布、水洗滤布设备、翻板设备等附属部件,以实现设备的正常运行和辅助功能。
二、工作原理
压紧滤板:通过压紧装置使滤板和滤框紧密贴合,形成多个独立的密封滤室。
进料过滤:利用进料泵将待过滤的悬浮液以一定压力从后板的进料孔送入各个滤室。悬浮液中的液体透过滤布,通过滤板上的滤液孔排至机外,而固体颗粒则被截留在滤室内,逐渐形成滤饼。随着过滤的进行,滤饼厚度逐渐增加,过滤阻力也逐渐加大。
松开滤板卸料:过滤完成后,松开压紧装置,打开滤板,将滤饼从滤室中卸出,完成一个过滤循环。如果需要对滤饼进行洗涤,可在过滤结束后,关闭漂洗板的出水阀,同时打开压干板出水阀,让漂洗水在一定压力下,于漂洗板水槽穿过滤布、透过滤饼,再穿过滤布到达压干板水槽,汇流入液阀出机外,实现滤饼的洗涤。
三、性能特点
过滤面积大:通过多个滤板和滤框的组合,可以提供较大的过滤面积,适用于处理不同规模的悬浮液,满足不同生产需求。
过滤压力大:能够承受较高的过滤压力,一般过滤压力可达0.4 - 0.5MPa(约4 - 6kg/cm²),可获得较高的过滤效率,使固液分离更彻底。
适用性好:能处理各种性质的悬浮液,无论是颗粒大小、浓度等方面有差异的物料,都能实现较好的固液分离效果,在化工、食品、医药、环保等多个行业都有广泛应用。
滤饼质量高:在过滤过程中,滤饼在滤室内逐渐形成,经过挤压等过程后,滤饼的干燥度较好,有利于后续的运输和处理。
四、应用领域
化工行业:用于化工产品生产中的固液分离,如盐、染料、颜料等产品的过滤,以及化工废水处理等。
食品行业:可对果汁、酱料、淀粉等食品原料进行固液分离,有助于提高产品质量和纯度。
医药行业:适用于中药提取、西药生产中的固液分离,以及医药废水处理等,对药品的提纯和生产环境的环保处理起到重要作用。
环保领域:在污水处理厂中,用于污泥脱水,降低污泥的含水率,便于污泥的运输和处置;也可用于工业废水处理,去除废水中的固体杂质,实现水资源的循环利用。






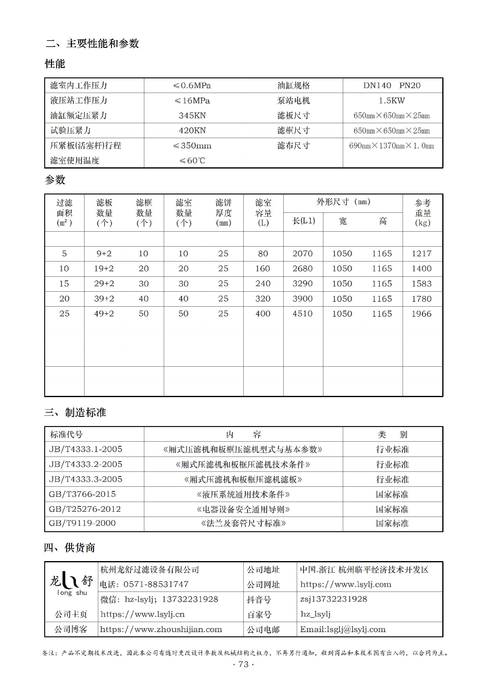
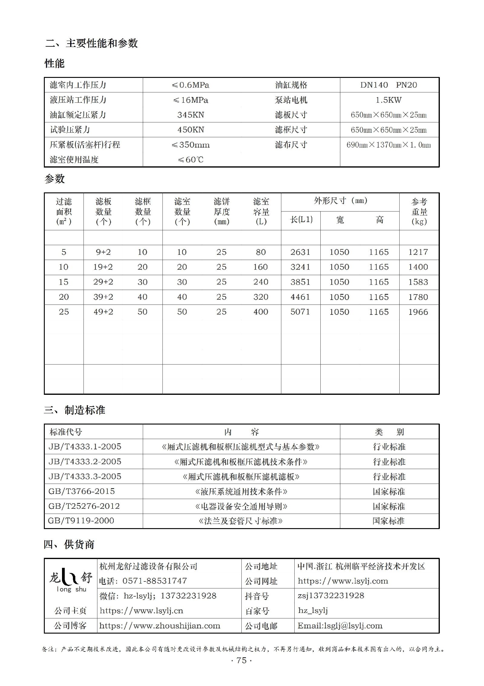
| 自动化程度: | 液压或手动 |
| 适用对象: | 食品 |
| 品牌: | 龙舒 |
| 型号: | B(S)Y5~25/650 |
| 滤料类型: | 滤布 |
| 性能: | 精密过滤 |
| 适用范围: | 化工;石油;制药;轻工;食品;水处理;电镀;冶金;染料 |
| 有效容积: | ≤400 L |