
B315型板框式压滤机压滤机是悬浮液固、液两相分离的理想设备。该系列压滤机为板框式手动或千斤顶压紧机型。滤板尺寸315mm×280mm 至650mm×650mm,压紧方式:S 为手动螺杆型。J 为手动千斤顶型。机器结构简便,操作易行。该系列压滤机机型较小,压紧、卸料均为手动操作.压滤机有明流,暗流之分,它们各自又有滤饼的可洗式和不可洗式。
该系列压滤机主要规格有:BAMSJ0.4~3/ 315-UBK-Ⅰ;
一、结构组成
- 滤板和滤框:
- 小型板框式实验室压滤机通常有多个滤板和滤框交替排列,它们共同构成了容纳物料进行过滤的滤室。滤板和滤框一般为矩形,材质多为聚丙烯等塑料或金属,具有一定的强度和耐腐蚀性,其表面通常有沟槽或孔洞,以便滤液通过。
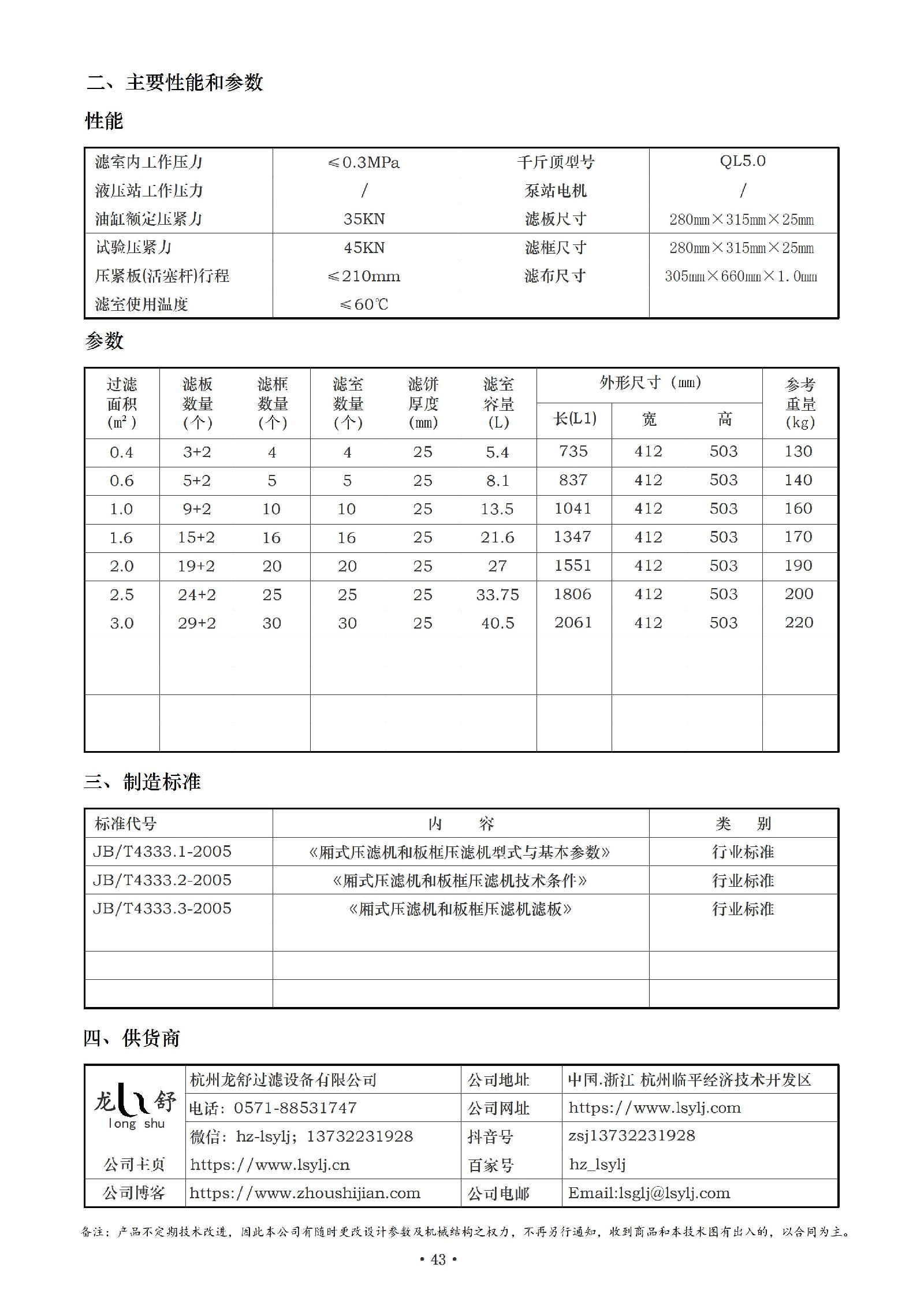
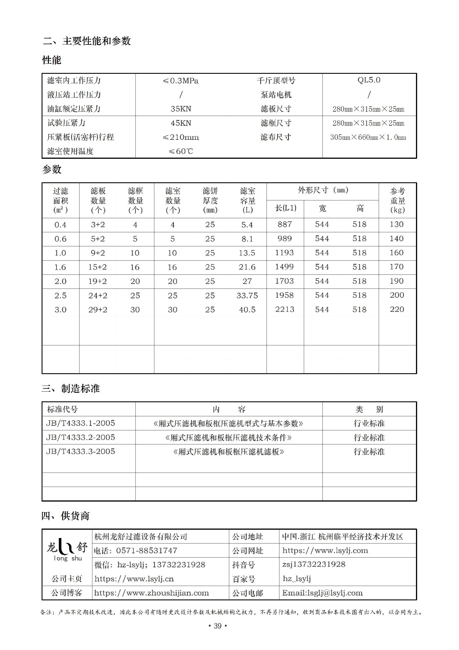
- 滤板和滤框的数量决定了压滤机的过滤面积和处理能力,小型实验室压滤机的滤板和滤框数量相对较少,常见的如 10 - 30 块不等,过滤面积一般在 0.1 - 5 平方米左右。
- 压紧装置:
- 用于将滤板和滤框紧密压紧,形成密封的滤室,确保在过滤过程中物料不会泄漏。常见的压紧装置有手动螺旋压紧、液压压紧等方式。
- 手动螺旋压紧方式通过旋转螺杆来推动压紧板,使滤板和滤框压紧,结构简单,操作方便,但劳动强度较大,适用于小型、压力要求不高的实验室压滤机;液压压紧方式则利用液压系统提供强大的压力,能够快速、均匀地压紧滤板和滤框,自动化程度较高,适用于对压力控制要求较精确、操作频繁的场合。
- 过滤介质:一般采用滤布,根据不同的过滤物料和实验要求选择合适的滤布材质和孔径。常见的滤布材质有棉质、尼龙、聚酯等,孔径范围从微米级到毫米级不等。滤布需要定期清洗或更换,以保证过滤效果。
- 进料系统:由进料泵、进料管道和阀门等组成,负责将待过滤的物料输送到压滤机的滤室内。进料泵通常为小型离心泵或蠕动泵,能够提供一定的压力和流量,确保物料顺利进入滤室。
- 滤液排出系统:包括滤液管道和收集装置,用于排出过滤后的滤液。滤液管道连接到滤板和滤框的滤液出口,将滤液引导到收集容器中,以便后续处理或分析。
- 机架:用于支撑和固定压滤机的各个部件,保证压滤机的整体稳定性。机架一般采用碳钢或不锈钢材质焊接而成,具有足够的强度和刚性,能够承受压滤过程中的压力和重量。
二、工作原理
1. 压紧滤板:通过压紧装置(如手动螺旋或液压系统)推动压紧板,将滤板和滤框紧密压在一起,在相邻的滤板和滤框之间形成密封的滤室。
2. 进料过滤:启动进料泵,将待过滤的物料通过进料管道输送到滤室中。在压力作用下,物料中的液体(滤液)通过滤布的孔隙渗透到滤板和滤框的滤液通道中,然后经滤液管道排出,而固体颗粒则被截留在滤布上,逐渐在滤室内形成滤饼。
3. 压榨脱水:当进料过滤阶段结束后,可进一步对滤饼进行压榨脱水。通过增加压紧装置的压力,使滤板和滤框对滤饼施加更大的压力,将滤饼中的剩余水分挤出,降低滤饼的含水率,提高固液分离效果。
4. 松开卸料:完成压榨脱水后,松开压紧装置,使压紧板退回原位,滤板和滤框之间的压力消失,然后通过人工或自动拉板装置将滤板依次拉开,滤饼在自重或外力作用下从滤布上脱落,落入下方的收集装置中,完成一个过滤循环。





声明一下:本网站上展示的产品仅用于工业上的污水固、液分离,每件商品的具体性能和使用方法均不尽相同,页面上的描述仅供参考,并不适用于每个具体商品,您在决定购买之前,务必事前沟通(订合同开专票)。谢谢您的理解和支持!(本站仅用于产品展示,不接受线上交易)。
| 自动化程度: | 手动 |
| 适用对象: | 污泥 |
| 品牌: | 龙舒 |
| 型号: | X(S)J0.4-3/315 |
| 滤料类型: | 滤布 |
| 性能: | 实验过滤 |
| 适用范围: | 化工;制药;轻工;食品 |
| 有效容积: | ≤40.5 L |